[G-S-X11/G-S-X31] Wiring and Installation Instructions

[G-S-X11/G-S-X31] Wiring and Installation Instructions



Warning
If you have any concerns about wiring this yourself, please consult a qualified electrician.
  1. Turn off the power
    1. To avoid electrical shock and/or equipment damage, disconnect electrical power at the main fuse or circuit breaker before installation and maintenance.
    2. Be aware that even if the circuit breaker is off, some voltage may remain in the wires — before proceeding with the installation, be sure no voltage is present in the wiring.
    3. Take extra precautions to avoid accidentally turning the device on during installation.
Alert
Please ensure you have wired an earth connection when using metal faceplates.

General Installation
Preparation
  1. Insert a screwdriver into the small gap on one side of the metal plate, and gently lever to separate the combined insert and gasket, from the metal plate.
  2. Repeat the process on the other side so the metal plate gently snaps off the insert.
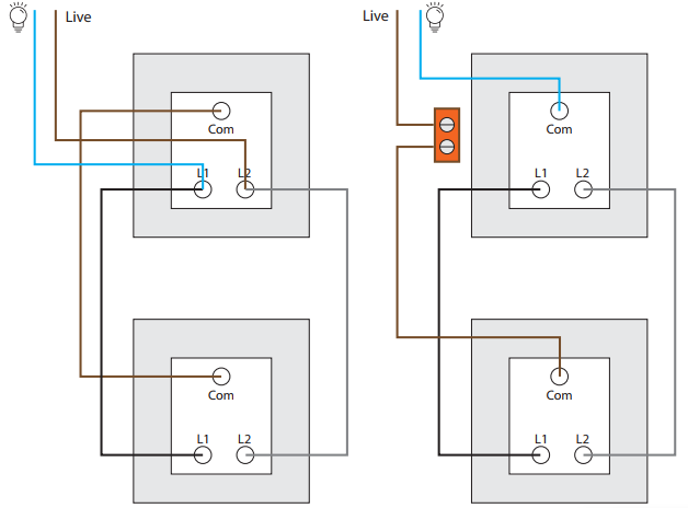
Rocker Switch
1-way


2-way


Push Switch
1-way


2-way
Fit the Switch (Metal Faceplates)
  1. Use the supplied wall screws to fix the backplate and switch to the backbox.
  2. Carefully place the metal faceplate in place and snap together with the backplate


    • Related Articles

    • [G-D-X-P] Installation & Removal Instructions

      If you have any concerns about wiring this yourself, please consult a qualified electrician. Your screwless faceplate comprises of 2 key components: The backplate to be wall mounted. The metal faceplate. Please ensure you have wired an earth ...
    • [C130-S] Instruction booklet

      Instruction booklet for C130-S can be downloaded here.
    • [C302-WF] Wiring Instructions

      Turn off the power To avoid electrical shock and/or equipment damage, disconnect ectrical power at the main fuse or circuit breaker before installation and maintenance. Be aware that even if the circuit breaker is off, some voltage may remain in the ...
    • [C202/C202N] Wiring instructions

      Turn off the power. To avoid electric shock and/or equipment damage, disconnect electrical power at the main fuse or circuit breaker before installation and maintenance. Be aware that even if the circuit breaker is off, some voltage may remain in the ...
    • [C205] How do I change the switch type?

      The C205 module is preconfigured to work with toggle/rocker switches. If you are using Smartthings, Hubitat, ZHA, or zigbee2mqtt, you will have a device setting to change the switch type to “Momentary”. You must be using the Candeo drivers to access ...